Near Field Communication and the Internet of Things
You’ve been hearing about it more recently… near field communications, that is. You may not have heard it called it that, but you’ve probably seen commercials showing how you can pay for purchases using Apple Pay, simply by holding your iPhone 6 near the credit card swipe device at the checkout counter.
Near field communication (NFC) is basically a short-range, high-frequency (13.56 MHz) RFID technology that allows for the exchange of information between two NFC-enabled devices. What you may not realize is that the NFC technology behind applications such as Apple Pay has also been making major inroads in the industrial world as well. In the past year, I’ve written about the use of NFC with smart motors from Lenze and its incorporation in printed electronics for industrial applications.
More recently Texas Instruments announced that its has released what it says is “the first highly integrated NFC sensor transponder for industrial, medical, wearables and Internet of Things (IoT) applications.”
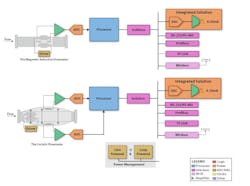
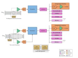
This 13.56 MHz, ultra-low-power RF430FRL15xH system-on-chip (SoC) family combines an ISO 15693-compliant NFC interface with a programmable microcontroller (MCU), non-volatile FRAM, an analog-to-digital converter (ADC) and SPI or I2C interface. According to Texas Instruments, this dual-interface RF430FRL15xH NFC sensor transponder is designed for use in battery-less or semi-active modes for industrial, medical and asset tracking applications, as well as consumer wearables.
Industrial control applications for this transponder includes use in devices that require an analog or digital interface, data-logging capabilities and data transfers to an NFC-enabled reader. According to Texas Instruments, the RF430FRL15xH transponder acts as a “sensor node for these applications and generates an IoT-ready solution when an NFC-enabled device pushes the data to the cloud.”
For example, the RF430FRL15xH can be used in:
- The design of maintenance-free and hermetically sealed galvanic isolated sensor systems in the industrial markets to communicate wirelessly through NFC to collect and log data; and
- Logistics applications that require constant temperature control, which can be monitored and logged with the RF430FRL15xH transponder.
Texas Instruments notes that the transponder supports wireless communication via the ISO/IEC 15693, ISO/IEC 18000-3 compliant RFID interface and is optimized for 1.5 V single-cell-battery-powered designs or battery-less designs that harvest energy from the RF field generated from an NFC reader.


