LumaSense Technologies: Thermal Imaging Software
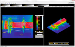
The company's R/T software allows plants to use off-the-shelf software to improve process efficiency, safety with real-time monitoring applications. Suggested applications are in industrial segments such as refining and power generation where critical vessel monitoring and combustion imaging are vital to running processes safely and efficiently. The software is designed to monitor and analyze processes in real time to help plants improve product quality, lower production costs and reduce safety hazards and downtime. Its versatility allows industries such as steel, glass and plastic manufacturing to easily gain quality and efficiency. Features of the software include Camera control functionality via standard or GigE Ethernet interface, power over Ethernet, real-time image acquisition, thousands of regions of interest (ROIs), ROI minimum and maximum alarm set points, pop-up display tools and multiple color palettes for optimal image quality
>> For more information on this product, click here.
