Galil Motion Control Inc: Motion Control Tuning and Analysis Software
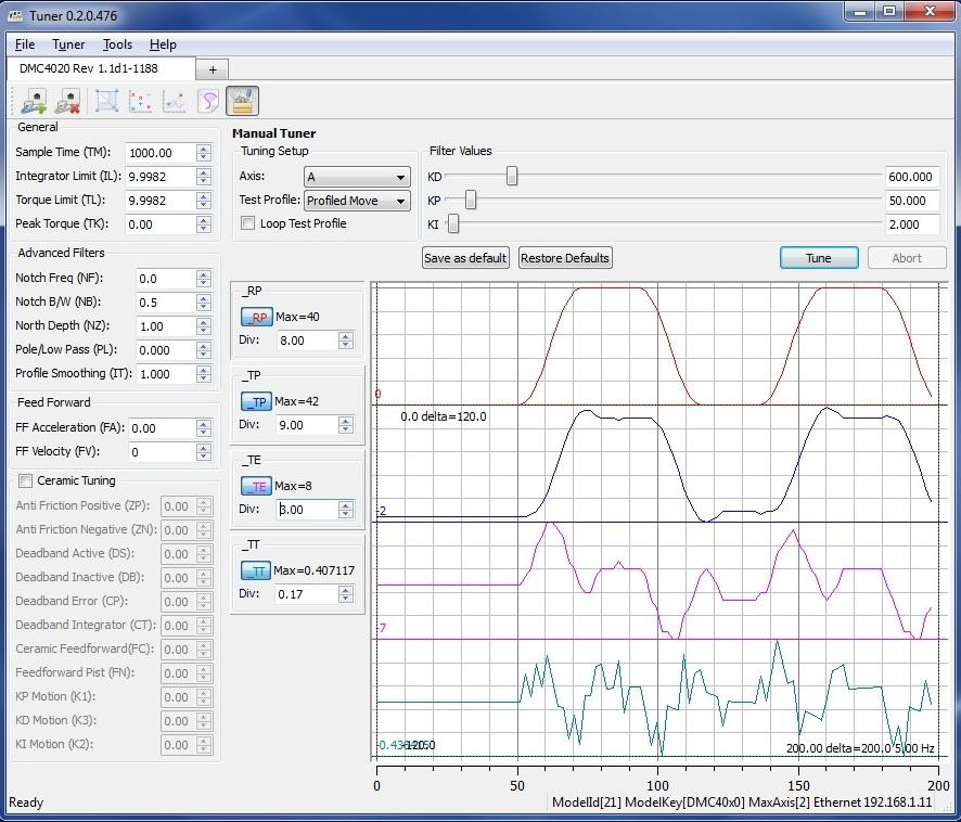
The package is a replacement for the prior generation GalilTools software and offers more advanced features and flexibility. It has enhanced servo tuning capabilities and provides multiple tuning methods making it easy to automatically tune many types of control systems. The new software also allows multiple connections to be made to multiple controllers. The package includes five tools: Terminal – for sending and receiving controller commands; Editor – for writing, saving and executing application programs; Tuner – for selecting controller PID parameters for optimal servo system response; Scope – for plotting controller data such as motor position and velocity; and Watch – for displaying controller and I/O status. Each tool is independent and can be launched and run individually.
For more information, visit
