Trio Motion Technology: Application Development Interface
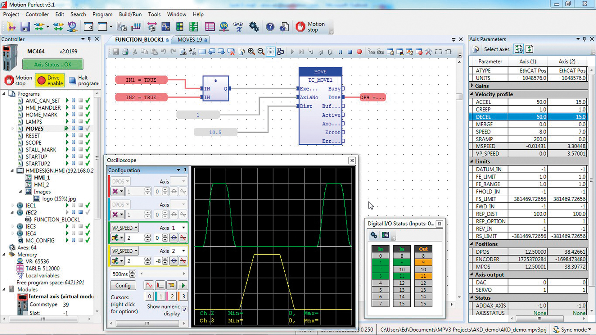
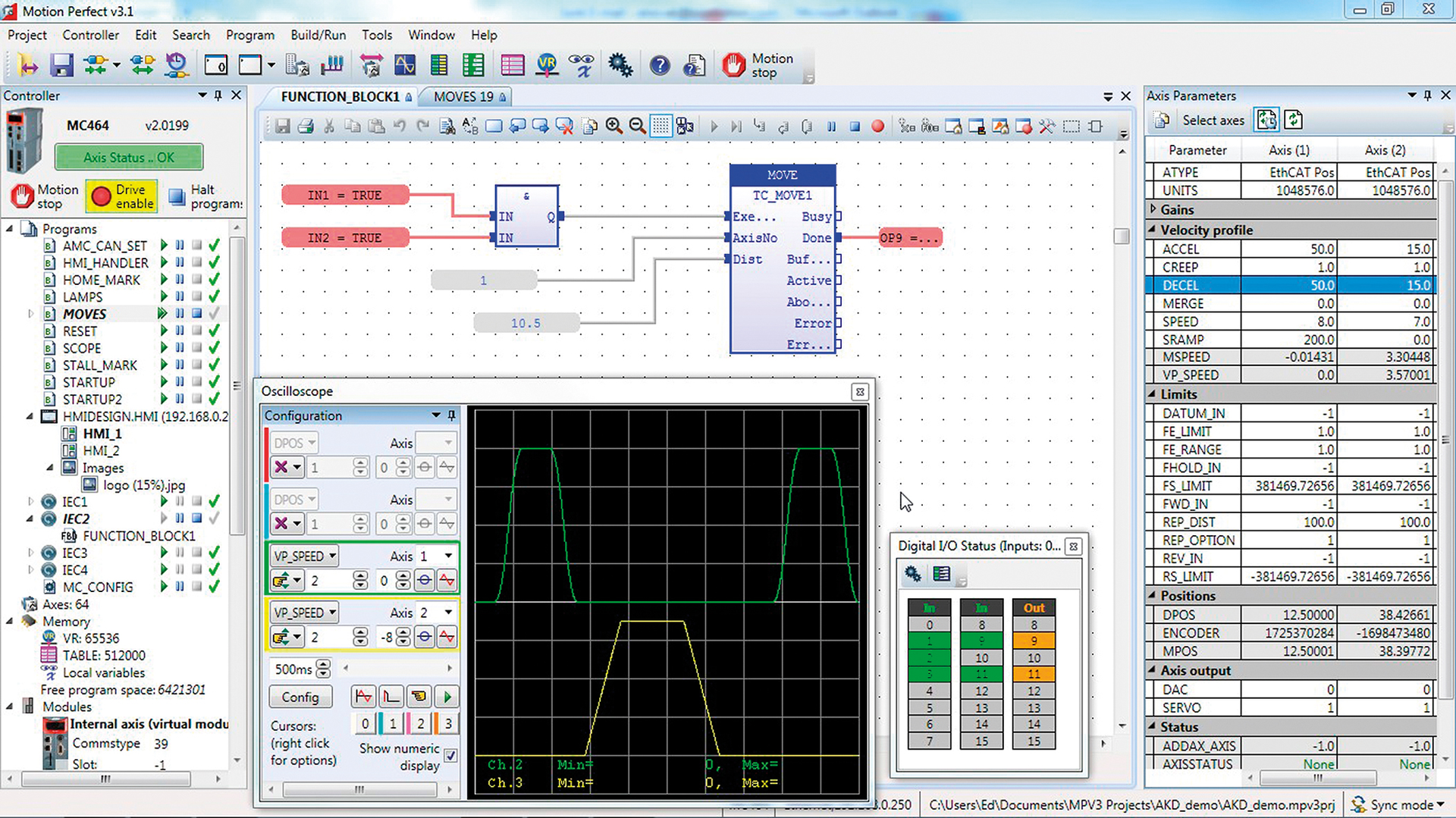
V3.1.1 of the application development, configuration and connectivity software for the company's MC4 Motion Coordinator range of multi-axis motion and machine controllers includes several new features and enhancements including single-point programming support for the company's new UNIPLAY HMI 7-inch and 10-inch operator interfaces, an updated project encryptor for code and intellectual property security, and a plug and play configuration utility that simplifies drive setup. Users can now realize single-point programming of all motion, machine interfacing and graphical HMI functions from within the software-with a common project file and program code storage resources taken care of on the controller. With no need to use a separate language to program HMI functions or interface third party panels, this greatly reduces application development timescales and associated cost-particularly for more complex multi-axis motion and automation systems. The new color displays use the latest touch panel technology and Ethernet connection to the controller significantly reducing commissioning effort. Any future servicing in the field or program modifications will also be made easier with a single software environment for the HMI and motion controller.
>>For more information on this product, click here
